Skip to content
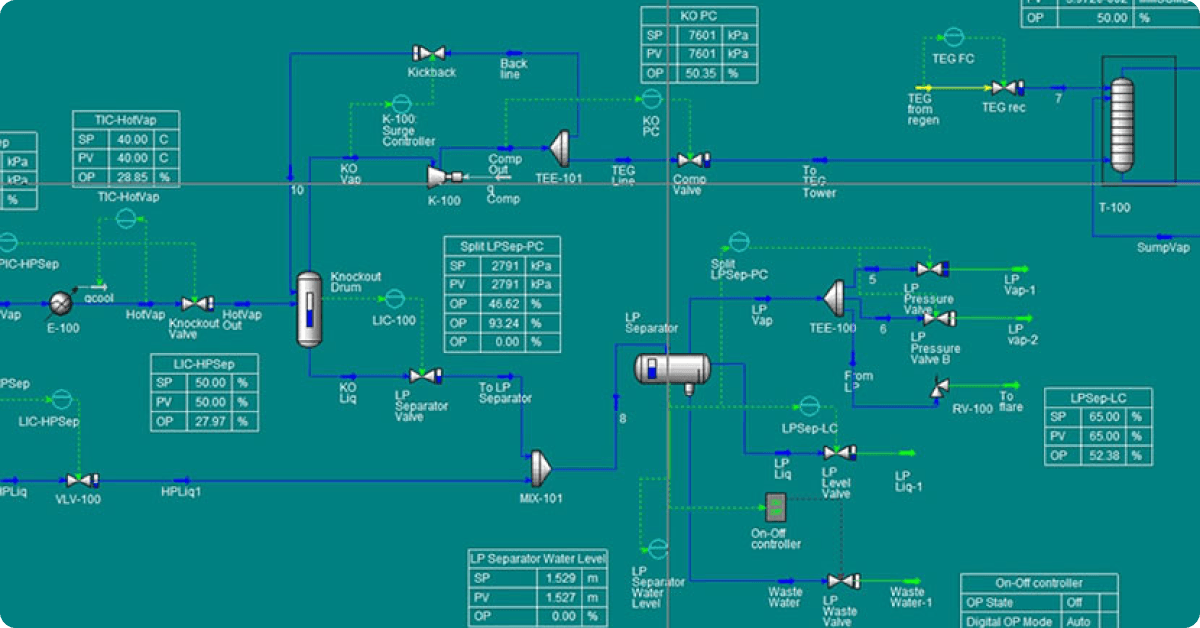
Diagram of an industrial process control system showcasing dynamic simulations with components like separators, towers, valves, and controllers. Labeled data and flow paths are depicted prominently on a green background

Dynamic Simulations

EngiMates offers an exclusive blend of knowledge to deliver bespoke, rigorous solutions that provide clear and feasible design and operational recommendations.

  • Design validation for complete process and control schemes
  • Overpressure protection (HIPPS)
  • Analyse transient scenarios
  • Flare header capacity validation
  • Validating operational /start-up procedures
  • Dynamic depressurization studies
Back To Top